
閥門知識
閥門首頁 > 閥門知識 > 手動閘閥的基本介紹 手動閘閥是一種常用的閥門,一般用于截止或調節介質流量。它的結構簡單,使用方便,可用于多種壓力和溫度下的管路。...
將普通閘閥改為自動控制閥涉及多個步驟,包括選擇合適的電動執行器、拆卸手動操作部件、安裝電動執行器、連接電源和控制線、測試和...
上海湖泉閥門集團有限公司電動閘閥Z941H-16 DN100型號是一種高性能的閥門產品,具有可靠的密封性能和良好的控制特性。該型號閘閥適用于工...
電動閘閥z941h-16c dn65型號說明及意思是什么?Z941H16C-進水電動閘閥公稱通徑DN500-DN1200可非標定制,公稱壓力PN1.0-1.6MPa,法蘭連接,明桿楔式,適用...
電動閘閥Z941H-16C DN50是一款用于控制流體介質的閥門,廣泛應用于石油、化工、火力發電廠等油品、水、蒸汽管路上,作為接通或截斷管路...
電動閘閥 Z941H-2.5 DN200 不配電動頭 與現場電動頭配合 電動頭為220VZ941H-25 DN200雙法蘭連接高溫電動閘閥是在管路中用途比較廣的一種閥門,主...
礦用電動閥門包括哪些型號,與普通閥門區別在哪?礦用電動閥門包括多種型號,礦用閘閥,礦用球閥,礦用蝶閥,礦用執行器等,與普通...
DN100開關型電動閘閥改智能調節型電動閘閥?能調節電動閘閥就是用調節型電動執行器控制閥門,從而實現閥門的開和關。其可分為上下兩部...
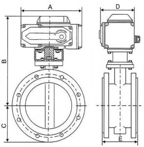
封蝶閥配以電動執行器,可實現遠距離控制和自動化操作。電動多層次金屬密封蝶閥系列產品,系使用時間長、節能型蝶閥。其結構采用三維編...
d941X-16c電動蝶閥的型號意義及結構詳細圖解 d代表蝶閥。 9代表驅動裝置是電動。 4代表閥門與管道的連接方式是法蘭連接。 數字1有兩種說...